梁溪區市場監管局2023年政府信息公開工作年度報告
發布時間:2024-01-17 11:26 來源:區市場監督管理局 選擇閱讀字號:[ 大 中 小 ]
根據《中華人民共和國政府信息公開條例》和區政府信息公開工作相關規定,梁溪區市場監督管理局對2023年政府信息公開工作認真進行了總結,現將相關工作報告如下:
一、總體情況
2023年,梁溪區市場監督管理局堅持以習近平新時代中國特色社會主義思想為引領,深入學習貫徹黨的二十大精神和習近平總書記視察江蘇重要講話精神,嚴格落實《中華人民共和國政府信息公開條例》,持續提升信息公開水平,全年政府信息公開工作穩定向好。
(一)主動公開
夯實宣傳陣地,政府網站發布工作動態公示信息等298篇,局微信公眾號累計發布信息436篇。市級以上黨政信息錄用114篇,發表調研文章11篇,其中報送的《寵物消費市場快速增長存三方面問題》被國家市場監管總局《市場監管總局信息》專篇刊錄。市級以上媒體報道390篇,其中學習強國平臺錄用13篇,國家級媒體錄用39篇。3月,我局獲評2022年度梁溪區“新聞宣傳優秀單位”。
(二)依申請公開
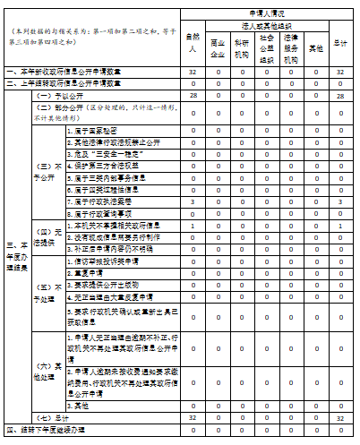
2023年,共收到政府信息公開申請32件,作出政府信息公開答復32件,按時答復率100%。
(三)政府信息管理
根據工作安排,局辦公室牽頭負責政府信息公開工作,明確各科室任務分工和對應負責板塊,依法依規做好信息公開保障工作。
(四)政府信息公開平臺建設
完善政務服務平臺建設,錄入許可辦件8000余件。梳理細化信息公開、人民網留言板等,全年按時答復人民網留言板13條。
(五)監督保障
加強政府信息公開條例及相關案例學習,完善信息公開舉措。健全監督審核工作機制,保障政府網站信息更新及時,規范信息公開程序。聚焦群眾所需和社會熱點時事,加強法律法規解讀和政策宣傳,提高信息公開質量。
二、主動公開政府信息情況

三、收到和處理政府信息公開申請情況

四、因政府信息公開工作被申請行政復議、提起行政訴訟情況

五、存在的主要問題及改進情況
存在的主要問題:1、部分欄目內容較為單一;2、仍有存在錯別字等情況。
下一步,我局將加強對政府網站、公眾號平臺的審核,加大內容更新頻次、提高內容質量,做到常規欄目一周一更新,非常規欄目每月審查更新兩次。
六、其他需要報告的事項
全年未收取信息處理費。
梁溪區市場監督管理局
2024年1月17日







